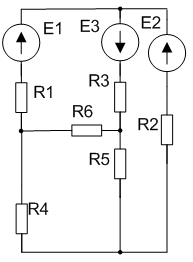
Здравствуйте. Помогите решить задачу. Нужно найти ток в ветви с сопротивлением R6 методом экв. генератора. Есть ещё дополнительные условия: напряжение холостого хода нужно найти методом двух узлов, а эквивалентное сопротивление методом наложения. Не могу разобраться, подскажите, с чего начать. Заранее спасибо.
Нажмите для просмотра прикрепленного файла
