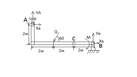
Цитата(si2213 @ 19.3.2012, 19:18)

пока только предположу. Вы, скорее всего, ошиблись в рисунке - в т. А прикреплён стержень, а не часть балки. Проверьте,т.к. это разные вещи. Для стержня сила направлена строго вдоль его оси и вы уже знаете направление силы реакции в точке А. Поэтому в т. А будет только одна сила, а не две составляющих, как у вас в решении. Тогда получится 3-и уравнения с тремя неизвестными и система решится.
а не могли бы вы записать хотя бы часть, а то я на ночь глядя не соображу, а завтра сдать надо