Помощь
-
Поиск
-
Пользователи
-
Календарь
Полная версия:
Определить реакции связей в точках > Статика
Образовательный студенческий форум
>
Теоретическая механика
>
Статика
zmei69
Сообщение
#81936
12.3.2012, 18:39
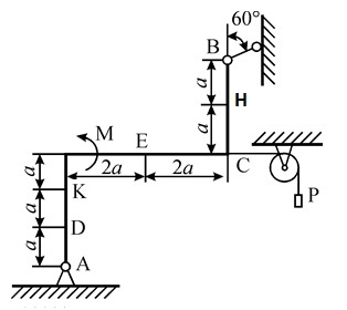
Помогите, пожалуйста, решить следующую задачу:
Нажмите для просмотра прикрепленного файла
Нажмите для просмотра прикрепленного файла
Нажмите для просмотра прикрепленного файла
tig81
Сообщение
#81937
12.3.2012, 19:27
Что не получается?
zmei69
Сообщение
#81938
12.3.2012, 19:59
Цитата(tig81 @ 12.3.2012, 19:27)
Что не получается?
затрудняюсь в составлении уравнений равновесия
Вячеслав Анатольевич
Сообщение
#82043
16.3.2012, 18:17
Три уравнения равновесия и проверка. termeh@reshebnik.ru
Это текстовая версия — только основной контент. Для просмотра полной версии этой страницы, пожалуйста,
нажмите сюда
.
Русская версия Invision Power Board © 2001-2026
Invision Power Services, Inc.