Есть следующее задание:
<начало>
Нажмите для просмотра прикрепленного файла
Для заданной пассивной цепи получить в общем виде передаточную функцию К(р)=Хвых(р)/Хвх(р),
где Хвх(р) и Хвых(р) – изображения по Лапласу входной Хвх(t) и выходной Хвых(t) величин.
Для всех вариантов принять Хвх(t)=Uвх(t). Выходную величину Хвых(t) взять из таблицы к расчёту по номеру варианта.
<конец>
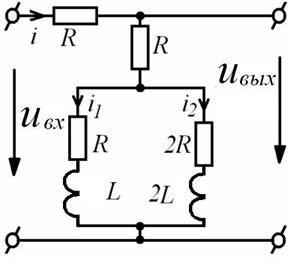
В номере варианта указано, Хвых(р) = i для данной схемы
У Бессонова под описание передаточной функции отведён один параграф на одну страницу.
И там однозначно написано K(p)=U2(p)/U1(p), т.е. отношение изображения выходного напряжения к входному.
Не понимаю как трактовать постановку задания. В разных вариантах к одним видам схем в качестве Xвых указаны как напряжения, так и токи к различным ветвям.
Если за нагрузку брать часть цепи с током i, то непонятно в нагрузку должно входить одно сопротивление или два, т.к. в одном случае Uвых(p)=Iн*R в другом Uвых(p)=Iн*2R.
Тогда Uвх=Iн*Z(p), Uвых=Iн*Rвых
K(p)=Uвых(p)/Uвх(p)=R/Z(p) или 2R/Z(p)
Если за Xвых брать непосредственно i, то поправьте меня:
i(p)=Uвх(p)/Z(p); K(p)=i(p)/Uвх(p)=1/Z(p)=3/(8R+2Lp)
Который из вариантов верный или я совсем не туда иду?
